electrofusion-elbow

Electrofusion Elbow

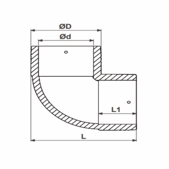
Rainson HDPE Electrofusion Elbow is a type of pipe fitting used to join HDPE pipe at 90 degree. This Elbow fitting is joined by electrofusion welding which uses electrofusion welding machine. HDPE Electrofusion Elbow Fittings are used to make changes in a pipeline. This fitting is widely used in industrial and private sectors. This fitting is also suitable for pipelines that are used for water, gas, electricity, etc. HDPE Electrofusion Elbows are used when anyone join two Pipes at angle. In this case, an electrofusion elbow is used which joins the two pipes at 90 degree. In addition, electrofusion elbow fittings are suitable for plastic pipes that are used for large projects in nearby rural areas and remote areas.

Key Specifications
Material PE100 SDR 11 – 17
Standard EN 12201-3, EN 1555-3
Product Code Ød - Size (mm) ØD (mm) L -LENGTH L1 (mm)
EFE63 63 83 120 50
EFE75 75 95 147 60
EFE90 90 113 170 65
EFE110 110 137 202 75
EFE125 125 152 223 80
EFE140 140 168 253 84
EFE160 160 188 268 92
EFE180 180 215 307 94
EFE200 200 236 363 95
EFE225 225 263 225 KIT
EFE250 250 288 245 KIT
EFE280 280 327 254 KIT
EFE315 315 366 268 KIT
EFE355 355 411 271 KIT
EFE400 400 463 323 KIT
Related Products
WhatsApp
+91 99099 38055
Call Now!
+91 99099 38055