spigot-reducer

Spigot Reducer

Rainson HDPE Spigot Reducer is an important type of pipe fitting used in High-Density Polyethylene (HDPE) piping systems. It is designed to facilitate the transition from one pipe size to a smaller one or vice versa, allowing for the smooth and efficient flow of fluids through the pipeline. The reducer features a larger diameter spigot end and a smaller diameter socket end, ensuring a secure and leak-free connection when joined to the corresponding HDPE pipes. Manufactured from high-quality HDPE material, the spigot reducer exhibits excellent strength, chemical resistance, and UV resistance, making it suitable for a wide range of applications, including water supply, sewage systems, industrial processes, and more. Its lightweight construction and ease of installation contribute to cost-effective and efficient pipeline setups.

Key Specifications
Material PE100 SDR 11 – 17
Standard EN 12201-3, 1555-3
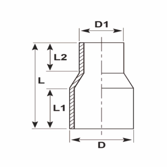
Product Code D (mm) D1 (mm) L (mm) L1 (mm) L2 (mm)
HSR7563 75 63 173 70 63
HSR9063 90 63 197 79 63
HSR9075 90 75 196 79 70
HSR11063 110 63 213 82 63
HSR11075 110 75 212 82 70
HSR11090 110 90 213 82 79
HSR12563 125 63 225 87 63
HSR12575 125 75 221 87 70
HSR12590 125 90 219 87 79
HSR125110 125 110 220 87 82
HSR14063 140 63 228 92 63
HSR14075 140 75 226 92 70
HSR14090 140 90 226 92 79
HSR140110 140 110 226 92 82
HSR140125 140 125 224 92 87
HSR16063 160 63 249 98 63
HSR16075 160 75 247 98 70
HSR16090 160 90 246 98 79
HSR160110 160 110 245 98 82
HSR160125 160 125 243 98 87
HSR160140 160 140 241 98 92
HSR18063 180 63 255 105 63
HSR18075 180 75 258 105 70
HSR18090 180 90 255 105 79
HSR180110 180 110 251 105 82
HSR180125 180 125 251 105 87
HSR180140 180 140 250 105 92
HSR180160 180 160 250 105 98
HSR20063 200 63 278 112 63
HSR20075 200 75 280 112 70
HSR20090 200 90 277 112 79
HSR200110 200 110 278 112 82
HSR200125 200 125 280 112 87
HSR200140 200 140 277 112 92
HSR200160 200 160 278 112 98
HSR200180 200 180 273 112 105
HSR22590 225 90 280 120 79
HSR225110 225 110 284 120 82
HSR225125 225 125 284 120 87
HSR225140 225 140 283 120 92
HSR225160 225 160 278 120 98
HSR225180 225 180 279 120 105
HSR225200 225 200 278 120 112
HSR25090 250 90 300 130 79
HSR250110 250 110 302 130 82
HSR250125 250 125 302 130 87
HSR250140 250 140 301 130 92
HSR250160 250 160 299 130 98
HSR250180 250 180 296 130 105
HSR250200 250 200 298 130 112
HSR250225 250 225 296 130 120
HSR28090 280 90 349 139 79
HSR280110 280 110 322 139 87
HSR280125 280 125 346 139 87
HSR280140 280 140 324 139 87
HSR280160 280 160 346 139 98
HSR280180 280 180 346 139 105
HSR280200 280 200 343 139 112
HSR280225 280 225 346 139 120
HSR280250 280 250 345 139 130
HSR31590 315 90 370 150 79
HSR315125 315 125 368 150 87
HSR315140 315 140 368 150 92
HSR315160 315 160 368 150 98
HSR315180 315 180 366 150 105
Related Products
WhatsApp
+91 99099 38055
Call Now!
+91 99099 38055